+86-13632583257
info@emheater.com
Home
Products
Frequency Converter
Servo
Human Machine Interface
Programmable Logic Controller
Soft Starter
Solutions
Factory Display
Application Display
Service & Supports
Marketing Network
Service Strategy
News
News
About EMHEATER
Company Profile
Contact Us
Home
Products
Frequency Converter
Servo
Human Machine Interface
Programmable Logic Controller
Soft Starter
Solutions
Factory Display
Application Display
Service & Supports
Marketing Network
Service Strategy
News
News
About EMHEATER
Company Profile
Home
»
Solutions
Solutions Categories
Factory Display
Application Display
Solutions
EM15 Series Water Supply Application Reference
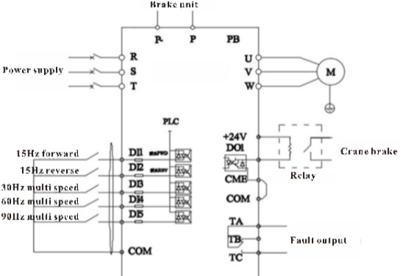
EM15 Series Frequency Converter Replaces Yaskawa H1000 Series Lifting Application.
EMHEATER VFD for Industrial Washing Machine
Frequency Converter Application Range
×
Contact Us
*Name
*Company Name
*Tel
*Email
*Message
*Verify Code
info@emheater.com
+86-13632583257